1
PALAS is een uiterst krachtige DIN-rail centrale eenheid van de derde generatie (G3). Voorzien van 2 AUTOBUS aansluitingen. Lees meer.
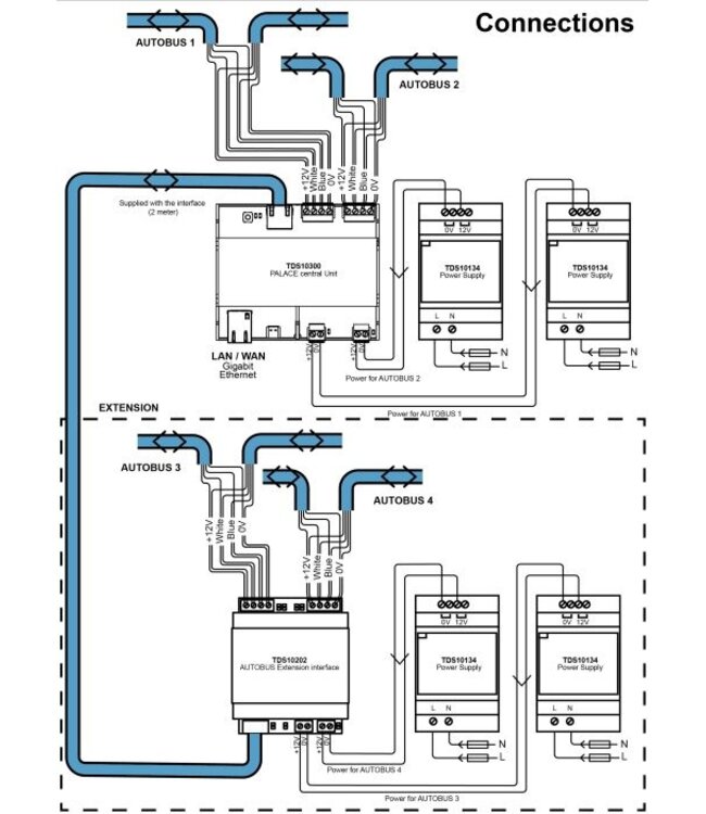
ALAS is een uiterst krachtige DIN-rail centrale eenheid van de derde generatie (G3). Voorzien van 2 AUTOBUS aansluitingen.
Er kunnen maximaal 62 AUTOBUS-interfaces worden aangesloten. In combinatie met TDS10202 is dit uit te breiden tot 124 interfaces.
Tot 10 PALAS (of andere G3) centrale units op LAN kunnen zich gedragen als één groot geïntegreerd systeem met tot 1240 interfaces.
Configuratie via de PROSOFT Suite.
Afmetingen: 108B x 90H x 60D (mm) - DIN 6TE
